В T-FLEX CAD есть возможность автоматически рассчитать поле допуска замыкающего размера размерной цепи.
Пример
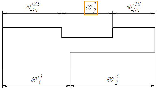
Пусть есть размерная цепь, в которой необходимо рассчитать поле допуска для замыкающего размера.

Размер 60 – является замыкающим. Размеры 70 и 50 – уменьшающими, размеры 80 и 100 – увеличивающими.

Расчёт отклонений замыкающего размера будет осуществляться по следующим формулам:
ВО_Замыкающего_размера = ΣВО_Увеличивающих_размеров - ΣНО_Уменьшающих_размеров;
НО_Замыкающего_размера = ΣНО_Увеличивающих_размеров - ΣВО_Уменьшающих_размеров.
Где ВО – верхнее отклонение, НО – нижнее отклонение, Σ - знак суммирования.
Кроме того, можно рассчитать и номинал замыкающего размера:
Ном_Замыкающего_размера = ΣНом_Увеличивающих_размеров - ΣНом_Уменьшающих_размеров.
Где Ном – номинал размеров.
Для рассматриваемого примера:
ВО_Замыкающего_размера = (3+4)-((-1,5)+(-0,5)) = 9
НО_Замыкающего_размера = ((-1)+(-2))-(2,5+1) = -6,5
Ном_Замыкающего_размера = (80+100)-(70+50) = 60
Открываем документ, в котором необходимо рассчитать поле допуска замыкающего размера. Запускаем приложение для проверки размеров и вызываем команду Расчёт размерных цепей:
Пиктограмма |
Лента |
|---|---|
|
Приложения > Проверка номиналов размеров > Расчёт размерных цепей |
Автоменю команды содержит 4 пиктограммы для выполнения расчёта:
|
<C> |
Указать замыкающий размер |
|
<R> |
Указать уменьшающие размеры |
|
<I> |
Указать увеличивающие размеры |
|
<D> |
Расчёт |
Последовательно осуществляем ввод данных для расчёта.
Нажимаем пиктограмму
и на чертеже, с помощью
, выбираем замыкающий размер (в рассматриваемом примере размер 60). В окне параметров команды появится соответствующая запись.

Нажимаем пиктограмму
и на чертеже, с помощью
, выбираем уменьшающие размеры (в рассматриваемом примере размеры 70 и 50). В окне параметров команды появятся новые записи.

Нажимаем пиктограмму
и на чертеже, с помощью
, выбираем увеличивающие размеры (в рассматриваемом примере размеры 80 и 100).

Нажимаем пиктограмму
- выполняется расчёт.

В окне параметров команды показывается результат расчёта.

Чтобы выйти из команды – нужно нажать пиктограмму или <Ctrl>+<Enter>.

В случае, если пользователь ввёл значение замыкающего размера вручную, и он отличается от номинала, то при выполнении команды система выдаст предупреждение: размер подсветится красным, и в скобках на размере будет указан рассчитанный номинал замыкающего размера.
