Пиктограмма |
Лента |
Аннотации > Размер > Размер от базы |
|
Клавиатура |
Текстовое меню |
<D>><B> |
|
Окно параметров команды |
|
<B> |
Размер от базы |
Команда вызывает режим создания размеров от базы, доступный в рамках общей команды создания размеров различных типов.
Ниже описаны только особенности данного режима на примере создания 2D размеров. 3D размеры от базы создаются аналогичным образом, отличаясь только типами элементов, доступных для выбора.. Остальная информация о создании размеров является общей для всех режимов и доступна в прочих разделах главы Размер.
Режим позволяет создавать последовательности размеров, обозначающих расстояние или угол относительно одной и той же прямой. По умолчанию такие размеры имеют только одну стрелку рядом с конечным объектом измерения, а их значения располагаются рядом со стрелкой. Возле начальной прямой вместо стрелки отображается точка. Размерные линии всех линейных размеров лежат на одной прямой, а угловых - на одной окружности с центром в точке пересечения исходных линий. При перемещении размерной линии одного из размеров, входящих в последовательность, размерные линии остальных размеров меняют расположение так, чтобы оставаться на одной прямой/окружности с перемещённым размером.

Создание последовательности размеров от одной базы
Для создания размеров от одной базы необходимо последовательно выбрать две исходных прямых первого размера, нажав на них
. В результате появится предварительное изображение первого размера. Первая выбранная прямая является базой для всех размеров в последовательности. Она заносится в поле Базовый элемент в окне параметров команды, а вторая - добавляется в список Элементы, расположенный ниже.

Порядок выбора исходных прямых первого размера определяет направление измерения всех размеров в последовательности. Для задания прямых можно выбирать как прямые линии построения, так и отрезки линий изображения, лежащие на желаемой прямой. Выбор прямой построения возможен только если на этой прямой есть хотя бы один 2D узел. При выборе прямой построения выносная линия размера привязывается к ближайшему 2D узлу, лежащему на этой прямой; при выборе отрезка выносная линия привязывается к его ближайшему концу.




Далее возможен выбор только тех элементов, размеры до которых могут входить в последовательность с первым (для линейного размера - точек и прямых/отрезков, параллельных базовой прямой; для углового размера - прямых и отрезков, лежащих на прямых, пересекающихся с базовой прямой в той же точке, что и конечная прямая первого размера). Для задания точки можно выбрать 2D узел, характерную точку линии изображения или пересечение линий построения (при выборе точки пересечения линий построения или характерной точки линий изображения в ней автоматически создаётся связанный 2D узел).
Конечные элементы всех последующих размеров также заносятся в список Элементы. При выборе каждого последующего элемента новый размер добавляется к предварительному изображению. Списком можно управлять с помощью кнопок, расположенных справа.

При удалении одного из элементов внутри цепочки размер, для которого он являлся конечным, объединяется со следующим.
При добавлении элемента, находящегося внутри одного из имеющихся размеров цепочки, такой размер разделяется. При этом элементы добавляются в список не в порядке выбора, а в порядке их участия в цепочке.



Отменить выбор всех элементов и вернуться к начальному состоянию команды можно с помощью следующей опции автоменю:
<Esc> |
Отменить выбор всех элементов |
После того, как появилось предварительное изображение всех желаемых размеров, необходимо завершить выбор исходных объектов с помощью следующей опции автоменю:
<Ctrl>+<Enter> |
Завершить задание цепочки размеров |
После завершения выбора исходных элементов предварительное изображение цепочки размеров продолжает следовать за курсором перпендикулярно направлению измерения.
При этом в автоменю становятся доступными общие опции команд создания 2D элементов, а также следующие опции:
|
<Shift>+<Z> |
Скрывать начало отсчёта |
При включенной опции нулевая отметка возле базовой прямой не отображается.

|
<S> |
Знак направления размеров |
При включенной опции для линейных размеров, измеряемых вертикально сверху вниз или горизонтально справа налево, отображаются отрицательные значения. Опция не влияет на линейные размеры, измеряемые в других направлениях, а также на угловые размеры.

|
<Ctrl>+<L> |
Задать положение размера |
Активация данной опции нажатием сочетания клавиш <Ctrl>+<L> или обычным нажатием
на иконку в автоменю последовательно переключает положение значений размеров между доступными вариантами. На верхнем уровне автоменю для данной опции отображается иконка положения, выбранного в данный момент. Если зажать
на этой иконке, то появится выпадающий список положений. Доступны следующие варианты:
|
|
Номинал рядом с полкой |
|
|
Номинал на полке |
|
|
Номинал на полке внутри линий |
|
|
|
|
|
|
|
<Пробел> |
Режим автокоррекции расположения |
Опция недоступна для угловых размеров. Её активация позволяет избежать наложения значений размеров друг на друга при очень близком их расположении. У размеров, которые накладываются на предыдущие, появляется излом выносной линии. Данная опция актуальна, только если активна опция
Номинал рядом с полкой. В противном случае автокоррекция не имеет существенного эффекта.
|
|
Автокоррекция выключена |
Автокоррекция включена |
|
<F> |
Метод измерения |
Опция недоступна для угловых размеров. Активация данной опции нажатием клавиши <M> или обычным нажатием
на иконку в автоменю последовательно переключает метод измерения между доступными вариантами. На верхнем уровне автоменю для данной опции отображается иконка метода, выбранного в данный момент. Если зажать
на этой иконке, то появится выпадающий список методов. Доступны следующие варианты:
|
|
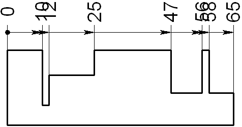
Цепочка размеров |
|
|
|
|
|
Отображаются и выносные и размерные линии |
|
|
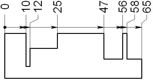
Ординатные размеры |
|
|
|
|
|
Отображаются только выносные линии |
Задайте параметры размеров.
Затем установите желаемое положение размерных линий, перемещая курсор, и подтвердите ввод нажатием
или <Enter>. Последовательность размеров от базы будет создана. После создания последовательности команда возвращается к начальному состоянию.
В процессе создания последовательности параметры являются общими для всех входящих в неё размеров. После последовательности цепочки каждый размер является отдельным элементом и его параметры можно редактировать отдельно от параметров остальных размеров.
Выравнивание размерных линий размеров, входящих в последовательность, сохраняется при их редактировании, т.е. при перемещении размерной линии одного из размеров, переместятся размерные линии остальных.
Только первый размер последовательности имеет две выносных линии. Для последующих размеров отсутствует выносная линия со стороны предыдущего.
Между размерами в последовательности присутствует ассоциативная связь - каждый последующий размер является дочерним по отношению к предыдущему. Таким образом, удалив первый размер, можно удалить всю последовательность.