T-FLEX CAD позволяет создавать размеры различных типов. Каждому типу соответствует отдельный режим общей команды Размер. Также доступен режим Авторазмер, в котором тип размера определяется системой автоматически в зависимости от выбранных пользователем измеряемых элементов. Для каждого режима доступны свои способы вызова команды, перечисленные в описании режима. Тип размера определяет количество и типы измеряемых элементов. Для разных типов доступны разные наборы некоторых дополнительных параметров Прочие параметры и принципы работы команды являются общими для всех типов.
Для создания размера выполните следующие действия:
1.Вызовите команду в режиме создания размеров желаемого типа или в режиме автоматического выбора типа.
2.Задайте желаемый набор опций, определяющих принцип работы команды (необязательное действие).
3.Выберите измеряемые элементы в соответствии с желаемым типом размера.
4.Задайте метод, способ и точки измерения (альтернативное измерение) в соответствии с типом размера и выбранным набором измеряемых элементов, если это возможно (необязательное действие).
5.Задайте параметры, определяющие основное значение размера (необязательное действие).
6.Задайте текст, отображаемый до, после и под значением (необязательное действие).
7.Задайте параметры допуска и посадки (необязательное действие).
8.Задайте параметры, определяющие стиль отображения размера (необязательное действие).
9.задайте параметры стрелок (необязательное действие).
10.Задайте параметры альтернативного значения размера
11.Задайте параметры шрифта (необязательное действие).
12.Задайте положение размерной линии и значения размера.
После указания всех необходимых точек, определяющих положение значения и размерной линии, создание текущего размера завершается автоматически и команда возвращается в исходное состояние для создания следующего размера. Если включена опция Показывать диалог параметров для каждого элемента то после создания размера будет автоматически открыт его диалог параметров.
Создание размера в пространстве 3D модели имеет ряд особенностей, но в целом осуществляется аналогично описанному выше.
При необходимости знак, значение, текст, допуск/посадку и отклонения можно наследовать с другого размера. Для единообразия ряд параметров можно задавать в параметрах документа сразу для всех размеров, расположенных на одной странице.
Автоменю
После выбора всех необходимых объектов появляется предварительное изображение размера, а размерная линия и значение размера начинают следовать за курсором в пределах степеней свободы, определяемых выбранными объектами. На этом этапе в автоменю становятся доступными опции позиционирования размерной линии и значения размера, изменения знака и связи с другим размером. В зависимости от желаемой конфигурации размера, необходимо нажатием
указать различное количество произвольных точек, определяющих положение размерной линии, выносок и значения размера.
Помимо опций, перечисленных выше, в автоменю команды Размер также отображаются следующие опции, общие для большинства команд создания 2D элементов:
<Ctrl>+<Enter> |
Закончить ввод |
|
<P> |
||
<Alt>+<P> |
||
<Esc> |
Выйти из команды |

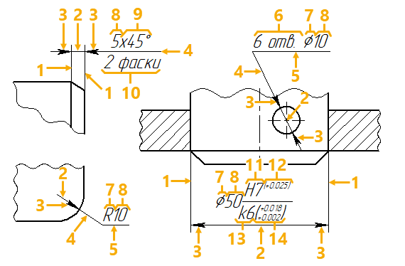
1 - выносная линия 2 - размерная линия 3 - стрелка размерной линии 4 - выноска 5 - полка 6 - текст до значения 7 - знак размера |
8 - значение размера 9 - текст после значения 10 - текст под значением 11 - поле допуска отверстия 12 - предельные отклонения размера отверстия 13 - поле допуска вала 14 - предельные отклонения размера вала |
Основные темы в этом разделе:
•Особенности создания 3D размеров
•Особенности создания размеров на 2D проекциях
•Связь 2D размера на проекции с соответствующим 3D размером
•Связь 2D размера с произвольно выбранным 2D размером
•Инструменты быстрого редактирования размера
•Приложение для проверки размеров
См. также:
•Размер шрифта и стрелок аннотаций и элементов оформления
•Параметры шрифта аннотаций и элементов оформления
•Отображение 3D аннотаций поверх тел
•Привязка 3D аннотаций к линиям сечения