Изолирующие ослабления

Предыдущая страницаВ началоСледующая страница

Изолирующие ослабления имеют два варианта исполнения, выбираемых из списка: Круглые и Линейные. Для каждого из вариантов доступна опция Насквозь.

SheetMetalGeneralParameters28

SheetMetalGeneralParameters29

SheetMetalGeneralParameters30

SheetMetalGeneralParameters31

Нет ослаблений

Круглые ослабления

Линейные ослабления

Линейные ослабления насквозь

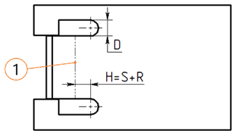
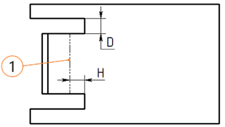
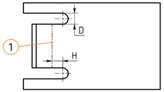
Для определения геометрии изолирующих ослаблений доступны параметры Глубина и Ширина. Для линейного ослабления они определяют ширину выреза и длину передней, выступающей за линию сгиба, части соответственно. Длина передней части ослабления круглой формы будет больше за счёт скругления на конце выреза. Радиус скругления равен половине ширины выреза.

Задняя часть выреза любого типа может быть выполнена двумя способами:

на глубину, равную сумме толщины заготовки и радиуса сгиба;

насквозь (если указан флаг опции Насквозь) до края заготовки (при приклеивании внутри заготовки с вырезом материала под язычком – до конца выреза).

SheetMetalGeneralParameters32

SheetMetalGeneralParameters33

Где 1 – линия сгиба, S – толщина заготовки, R – радиус сгиба, D – ширина, H - глубина

Линейные ослабления (не сквозные)

Круглые ослабления (не сквозные)

SheetMetalGeneralParameters34

SheetMetalGeneralParameters35

1 – линия сгиба, S – толщина заготовки, R – радиус сгиба, D – ширина, H - глубина

Линейные ослабления (сквозные до края)

Круглые ослабления (сквозные до края)

См. также:

Угловые ослабления

Все общие параметры